Forum Strippenstrolch

Forums-Ausgangsseite

log in | registrieren

zurück zur Übersicht
Thread-Ansicht  Board-Ansicht
chrisS(R)

28.05.2006, 13:29
 

Relaisabschaltung bei 1Volt

Hallo,ich Suche eine Schaltung die ein Ralais bei exakt 1 Volt abschaltet. Die Betriebsspannung für das Relais ist 12 Volt. Wichtig ist die exakte Kontrolle der 1 Volt Spannung.Ich möchte damit einen Akku überwachen, sinkt die Spannung von diesem unter 1V soll das Relais abfallen.Könnt Ihr mir da Helfen?Gruß Chris

elektroluchs(R)

28.05.2006, 16:34

@ chrisS
 

Relaisabschaltung bei 1Volt

Hallo Chris!Die Schaltung die du suchst ist ein Schmitt Trigger od. Schwellwertschalter. Am Besten baust du dir so eine Schaltung aus Transistoren und ein paar Widerständen, das ist eine verständliche und günstige Version, finde ich.

kalledom(R)

29.05.2006, 01:17

@ chrisS
 

Relaisabschaltung bei 1Volt

Hallo Chris,schau Dir folgenden Thread an: http://www.strippenstrolch.de/forum/board_entry.php?id=3469

el-haber

Catania,
29.05.2006, 09:26

@ chrisS
 

Relaisabschaltung bei 1Volt

Hi,die Spannung von 1 V ist sehr gering. Wenn ich Dich aber richtig verstanden habe, dann hast Du immer 12V (unstabilisiert).Schau Dir doch mal das folgende Datenblatt an: http://www.st.com/stonline/products/literature/ds/10518/stm706p.pdfDas sind Spannungswächter und Batterie-Schutzschaltungen für Telefoninos - allerdings gehen die nur bis 2,63V runter (3 NiCd-Zellen oder 1 LiPo_Akku).Für Deinen Fall könnte es aber so aussehen, daß 2 Dioden von 12V kommend die zu überwachenden 1V auf 2,4V erhöhen. Die Schaltschwelle wäre dann bei 1,23V.Diese Art von Bausteinen (Es gibt da eine ganze Reihe davon für verschiedene Spannungen und mit internen Flip-Flops, die dann den letzten Zustand speichern, damit es zu keinen Schwingungen kommt)- sind dafür ausgelegt, daß sie mit der zu überwachenden Spannung betrieben werden und entweder nur ein Reset-Signal-Liefern oder den Durchfluß bei unterschreitung unterbrechen. Darum auch die etwas höheren Spannungswerte.CUStefan

chrisS(R)

29.05.2006, 11:01

@ el-haber
 

Relaisabschaltung bei 1Volt

Hallo,erst mal vielen Dank für Eure Antworten.Nun habe ich da noch ein Problem.Es ist für mich kein Problem eine Schaltung nach zu bauen, aber eine selbst zu fertigen das schaffe ich nicht. Daher bräuchte ich Eure Hilfe zum Schaltplan.Dann muß ich mein Vorhaben noch etwas präzisieren.Es geht um eine reine Entladeschaltung für einen 6 Zellen RC-Akku. Bisher haben wir einfach jede Zelle mit ner Diode und einen Widerstand auf 0,7V Entladen und somit alle Zellen an einander angeglichen. Nun gibt es neuere Akkus die es sehr übel nehmen wenn sie bis auf 0,7V Entladen werden. Außerdem darf bei den neueren nicht immer wieder nach der Entladung erneut begonnen werden wenn sich die Leerlaufspannung erholt hat. Also die Zelle soll mit ca. 2 Ampere auf 1V (besser sogar 0,9V)Entladen werden und dann der Vorgang abgeschalten werden.So war es bisher:[image]Das ganze mit einem Relais letztlich komplett ab zu schalten war von mir nur ein Gedanke, sicher gibt es da bessere Lösungen ......Die Spannung die extern zur verfügung steht ist 12Volt b.z.w. 13,8V, aber beides stabilisiert.Gruß Chris

Posti(R)

30.05.2006, 20:48

@ chrisS
 

Relaisabschaltung bei 1Volt

HiEine Diode \'hälte\' die Spannung auf 0,7V.Wenn ich 2 in Reihe schalte, gibt das 1,4V.Meine Überlegung war jetzt, 2 Diodenreihen (2 + 3 Dioden) parrallel zu schalten.Wenn sich das Elektronik-Zeugs halbwegs an mir bekannte Gesetze hält (von Wegen Widerstand), könnten daraus 0,84V entstehen.Bei 4er + 2er 0,93V.Aber bitte erst absegnen lassen, hab gerade keine Dioden mehr zur Hand, um das experimentell durchzutesten. (könnte auch kompletter BullShit sein)MfGPosti

chrisS(R)

30.05.2006, 21:25

@ Posti
 

Relaisabschaltung bei 1Volt

Hallo,sorry aber das verstehe ich nicht ganz. Das testen wäre kein Problem, Dioden habe ich genügend da.Dann wäre aber immer noch das Problem, daß die Entladung nach erreichen der sagen wir mal 0,93 Volt nicht abschaltet. Die Zelle würde ja immer auf dieser Spannung \"gehalten\", was aber nicht sein darf.Gruß Chris

Posti(R)

30.05.2006, 22:28

@ chrisS
 

Relaisabschaltung bei 1Volt

HiWenn die Abschaltung zwingend erforderlich ist, würde ich Dir ebenfalls zu einem Schmitt-Trigger raten.Pro Zelle ein Schmitt-Trigger, der bei unterschreiten der 1V schaltet und als Entlade-Transistor einen FET (kann ne Menge Strom ab, durch den Widerstand stirbt der das auch)Die einzelnen Batterien (denke sind Zellen ?) können nicht umgeschaltet werden? Also alle negativen Pole zusammen und an den Positiven die maximal 1V messen?Wenn doch, könnte man die Einzelbatterien nacheinander Runterbeamen, bis 1V erreicht ist, und dann zur Nächsten schalten.(z.B. Lauflucht/Schieberegister mit µC)Damit könnte man die anliegende Spannung messen und solange warten, bis 1V erreicht ist und dann die nächste Batterie \'anklemmen\'.Wenn die letzte Batterie leer ist, schaltet der µC ab.Wenn die Zellen nicht gemeinsam auf GND gelegt werden können, müsste man den µC schaltungstechnisch zwischen den einzelnen Zellen umklemmen, daß dessen GND auf den Minuspol der zu Entladenen Zelle kommt (damit er die Spannung messen kann).Mal schauen, vll komme ich morgen früher von der Arbeit, dann tüftel ich mal was aus (kA, ob\'s funktionieren kann).MfGPosti

kalledom(R)

30.05.2006, 23:07

@ chrisS
 

Relaisabschaltung bei 1Volt

Hallo Chris,an dieser Stelle greife ich jetzt mal ein, denn es gibt leider Halb- und Unwissende, die sich besser zurückhalten, wenn sie es nicht genau wissen:» .... 2 Diodenreihen (2 + 3 Dioden) parrallel zu schalten.» Wenn sich das Elektronik-Zeugs halbwegs an mir bekannte Gesetze hält (von Wegen Widerstand), könnten daraus 0,84V entstehen.» Bei 4er + 2er 0,93V.Es ist Blödsinn, Dioden nach dem Ohmschen Gesetz berechnen zu wollen.Der Strom fließt durch die Dioden, die zusammen die geringste Durchlaßspannung haben.Es gibt bei Deiner Zellen-Reihenschaltung das Problem, daß es (außer für die erste Zelle) keinen Bezugspunkt gibt. Das ist normalerweise der GND. Wenn Du eine beliebige Zelle betrachtest, ist die auf GND bezogene Spannung abhängig von der Spannung der Zelle(n) davor, somit unbrauchbar.Wenn Du jede Zelle für sich erfassen möchtest, geht das nur, wenn Du alle Zellen zu einer Meß- und Regelelektronik mit gemeinsamen GND galvanisch trennst.Eine galvanische Trennung könnte über Optokoppler erfolgen. Vielleicht findest Du Koppler, die bis runter nach 1V noch schalten.Die nächste Möglichkeit wäre eine Schmitt-Trigger-Schaltung für jede Zelle, jedoch mit separaten Versorgungsspannungen ohne gemeinsame GND-Verbindung.Über Relais, die ja potentialfreie Kontakte haben, kann der Entladestrom dann ab- oder ein Ladestrom eingeschaltet werden.Ich hoffe, Du erkennst die Problematik bei in Reihe liegenden Zellen.Es gibt vielleicht noch eine Möglichkeit über Differenzverstärker mit OpAmps; das muß ich mir aber noch durch den Kopf gehen lassen.

el-haber

Catania,
31.05.2006, 09:46

@ kalledom
 

Relaisabschaltung bei 1Volt

Hi zusammen,Danke Karl-Heinz daß Du eingegriffen hast - da wäre ordendlicher Unfug rausgekommen.Eben habe ich in der neuesten Ausgabe des ELV-Magazins von einem Projekt gelesen, das es erlaubt, verschiedene Akkus (allerdings mit höheren Spannungen, da schon gepackt) in Reihe zu schalten und dabei die Entladekennlinien und Ladeverhalten der einzelnen Packs auszugleichen.Es ist eine kleine Schaltung, die (mit einer Art intelligentem Parallelwiderstand) Innenwiderstände der Packs über den Lade / entladezeitraum ausgleichen.Link unter www.elv.de suchen.CUStefano

chrisS(R)

31.05.2006, 10:44

@ el-haber
 

Relaisabschaltung bei 1Volt

Hallo,die Akkus können leider nicht so geschalten werden das sie alle einen gemeinsammen Massepunkt haben (da sie zu ein 7,2V Pack gelötet sind).Das die Sache dadurch nicht gerade einfach ist, ist mir schon klar, darum habe ich mich auch an Euch gewand. Ich schaffe es beim besten Willen nicht.:-( Eine Abschaltung zum Schluß muß auf jeden Fall erfolgen. Gruß Chris

kalledom(R)

31.05.2006, 12:26

@ chrisS
 

Relaisabschaltung bei 1Volt

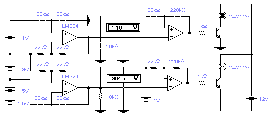
Hallo Chris,dann versuch es mal mit folgender Schaltung.Statt der Glühbirnchen setzt Du Relais mit Freilaufdioden ein, Transistoren z.B. BC546...549.An Stelle der 1V-Batterie muß dort irgendwie per Spannungsteiler / Poti oder Referenzdiode / Zenerdiode ziemlich genau die Spannung der Schaltschwelle hin.[image]PS: Den Basis-Vorwiderstand habe ich mit 1kOhm für 12...13V etwas sehr niedrig gewählt; besser ist 4,7...10kOhm.Die 10kOhm-Belastungswiderstände dürfen auch 22kOhm sein.Die Schaltung muß natürlich so oft aufgebaut werden, wie Zellen vorhanden sind.Die Versorgungsspannung der OpAmps muß ca. 2V höher sein wie die gesamte Zellenspannung, sonst funktioniert der \'oberste\' Diff-OpAmp nicht richtig.So, hab\' ich noch was vergessen ? Aber Du wirst sicherlich noch Fragen haben.Ja, da gibt\'s noch ein Problemchen: wenn eine Zelle unter die Schwellenspannung kommt und das \'Entlade-Relais\' abfällt, steigt die Spannung wegen der abgeschalteten Belastung wieder an und das Relais zieht wieder an. Das Ganze \'flattert\' dann. Ich empfehle, das Relais nach dem Abfallen über einen eigenen Kontakt zu sperren, so daß es nur per Taster wieder eingeschaltet werden kann.

zurück zur Übersicht
Thread-Ansicht  Board-Ansicht
5412 Postings in 703 Threads, 7 registrierte User, 75 User online (0 reg., 75 Gäste)
Forum Strippenstrolch | Kontakt
RSS Feed
powered by my little forum