| Ingo 22.04.2006, 20:26 |
Ersatzspannungsquelle |
Guten Tag,Ich habe Probleme bei der Berechnung eines Netzwekes mithilfe der Ersatzspannungsquelle. Ich weiß das dies ja eigentlich ein Bastelforum ist, aber vielleicht könnt ihr mir trotzdem helfen. |
| kalledom 23.04.2006, 13:01 @ Ingo |
Ersatzspannungsquelle |
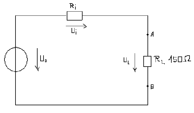
Hallo Ingo,ich würde zuerst den Gesamtwiderstand ermitteln (Rg = Ri + RL).Dann kannst Du den Gesamtstrom ausrechnen (Ig = U / Rg).Mit dem Gesamtstrom können die Spannungen an den einzelnen Widerständen berechnet werden (Ui = Ri * Ig und UL = RL * Ig). |
| Ingo 23.04.2006, 16:11 @ kalledom |
Ersatzspannungsquelle |
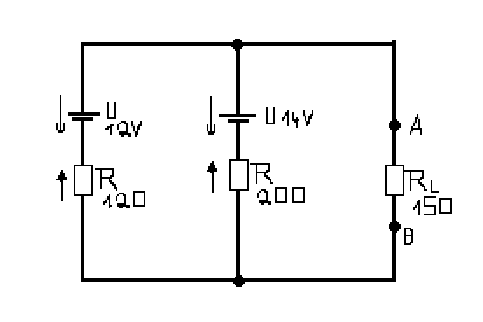
Hallo,so wollte ich es auch machen, aber mein Problem ist überhaupt an Uo und Ri zu kommen! RL bleibt bei der Ersatzspannungsquelle ja gleich! Ist Ri einfach R1 parallel zu R2(sry, sind in der Zeichnung nicht beschriftet)??Und wie ich an die Klemmenspannung A-B komme weiß ich leider auch nicht!Ich hoffe du verstehst jetzt wo mein problem liegt.mfg Ingo |
| Jochen Becker Düren, 21.05.2006, 17:57 @ Ingo |
Ersatzspannungsquelle |
Ich habe die Aufgabe mal gerechnet und lade sie hoch. |
Thread-Ansicht
Also das ist mein Netzwerk. ich soll UL und IL mit Hilfe der Ersatzspannungsquelle berechnen. Ich weiß nicht wie ich bei einem Netzwerk auf Uo oder Ri kommen soll. Bei einer Brückenschaltung könnte ich es. Vielleicht wird dann das erklären leichter.
mfg IngoPS: Lasst euch von meinen schönen Paint Bildern bitte nicht abschrecken.
Hoffe es ist noch nicht zu spät.mfg nighty