D-A-Wandler mit PIC, Stabilität von Spannungspegeln an Pins
HiWie sieht es aus, wenn man die Widerstände mit Transistoren zuschaltet?
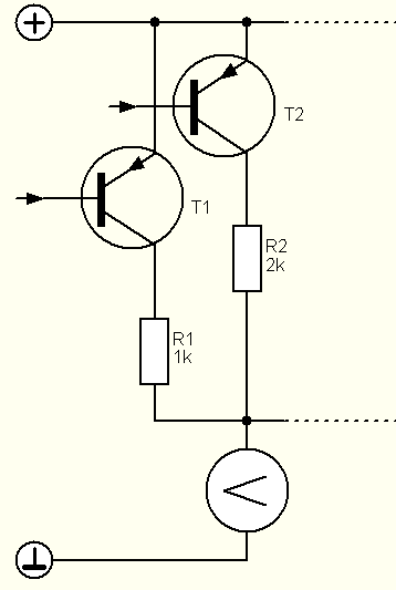
Jeder Ausgang, der LOW-Pegel hat, schaltet seinen Widerstand mit in die Parallelschaltung.Je mehr es werden, destor kleiner ist der Gesamt-Widerstand, bzw größer ist der Gesamt-Leitwert.An die Basen der Transistoren gehören noch Widerstände (1K)!So brauchst Du Dir keine Gedanken über den Maximalstrom bei mehreren genutzten Ausgängen machen.MfGPosti
gesamter Thread:
- D-A-Wandler mit PIC, Stabilität von Spannungspegeln an Pins - Jürgen, 10.05.2006, 12:27
- D-A-Wandler mit PIC, Stabilität von Spannungspegeln an Pins - kalledom
, 10.05.2006, 13:23- D-A-Wandler mit PIC, Stabilität von Spannungspegeln an Pins - Posti
, 10.05.2006, 19:32- D-A-Wandler mit PIC, Stabilität von Spannungspegeln an Pins - el-haber, 11.05.2006, 09:33
- D-A-Wandler mit PIC, Stabilität von Spannungspegeln an Pins - Posti
- D-A-Wandler mit PIC, Stabilität von Spannungspegeln an Pins - kalledom
Mix-Ansicht