Forum Strippenstrolch

Forums-Ausgangsseite

log in | registrieren

zurück zum Board
Thread-Ansicht  Mix-Ansicht  Reihenfolge
Michael

E-Mail

10.06.2006, 09:40
 

Mehrere Lampen im Garten anschließen mit zwei Bewegungsmelde

Hallo.Kennt ihr euch mit dem Thema aus?Ich habe einen Weg rund um unser Haus gelegt. Nun soll der Weg auch beleuchtet werden. Dazu möchte ich 5 Lampen, die ich schon vor mir liegen habe, rund um den Weg an die Hauswand anbringen. Eine Lampe soll direkt an der Haustürnähe befestigt werden.Bisher habe ich ein 5 poliges Erdkabel entlang des Hauses verlegt, bis hin zu einer schon fertigen Steckdose an unserem Haus. Das Erdkabel habe ich an den Stellen, wo die Lampen angebracht werden, als Schlaufe rausgucken lassen.Kann ich jetzt einfach das Erdkabel in der Mitte der Schlaufe durchschneiden und an die Lampen anschließen? Kann ich danach einfach das Ende des Erdkabels nehmen und einen ganz normalen Stromstecker anbringen und den in unsere normale Stromsteckdose stecken?Was muss ich beachten bzw. machen, wenn ich an den beiden außeren Lampen des Gehweges jeweils einen Bewegungsmelder anbringen möchte?Ich bin über jede Idee oder jeden Tipp dankbar!

strippenstrolch(R)

Homepage E-Mail

Sassenburg,
10.06.2006, 12:12

@ Michael

Mehrere Lampen im Garten anschließen mit zwei Bewegungsmelde

Also zunächst ist es einmal ganz wichtig, daruf hinzuweisen, dass der Schutzleiter(PE, grün/gelb) nicht unterbrochen werden darf. Wenn Du also das Erdkabel durchschneidest, so musst Du auch an jeder Stelle eine Dose oder eine Muffe setzen, in der der Schutzleiter durchgeschleift wird. (in Kabel einwandfrei weiter geführt wird.Dann ist zu sagen, dass Du natürlich nur an einem Ende des Erdkabels einen Stecker anbringen darfst, weil sonst spannungsführende Teile frei liegen.Schließlich ist es so: Ja, Du darfst einen Stecker anbringen, aber warum machst Du mit Hilfe einer Abzweigdose nicht gleich eine Ausschaltung davon ? Das sieht besser aus und ist funktioneller.Ja, man kann bei einem 5-adrigen Kabel an beiden Seiten einen Bewegungsmelder anschließen, das geht:[image]Es bleibt sogar noch eine Korrespondierende (hier: Kor. 2) frei.

Michael

E-Mail

10.06.2006, 12:59

@ strippenstrolch

Mehrere Lampen im Garten anschließen mit zwei Bewegungsmelde

Danke für die Zeichnung. Könntest du mir vielleicht noch ein paar Erleuterungen geben bzw. Tipps?Wenn ich alles so wie beschrieben anschließe und das Ende des Kabels mit einer Steckdosenstecker versehe und diesen in die Steckdose stecke, so würden doch die Lampen die ganze Zeit leuchten, oder irre ich mich? Die Lampen sollen ansich nur leuchten, wenn jemand am Bewegungsmelder vorbeigeht.Mir wurde empfohlen einen Bewegungsmelder mit Relaiskontakt zu nehmen. Das wäre notwendig, da ich zwei Bewegungsmelder anbringen möchte. Ist das so richtig?Weißt du was das für ein Zeichen ist? Es kommt an 4 meiner 5 Lampen vor, speziell an den Klemmen. Bei einer Lampe fehlt das Zeichen. Es handelt sich um drei waagerechte Linien. die nach oben länger werden. An der letzten waagerechten Linie ist in deren Mitte eine senkrechte Linie zu finden.» Also zunächst ist es einmal ganz wichtig, darauf hinzuweisen, dass der» Schutzleiter(PE, grün/gelb) nicht unterbrochen werden darf. Wenn Du also» das Erdkabel durchschneidest, so musst Du auch an jeder Stelle eine Dose» oder eine Muffe setzen, in der der Schutzleiter durchgeschleift wird. (in» Kabel einwandfrei weiter geführt wird.Dumme Frage von mir. In deiner Skizze wird das PE Kabel gar nicht genutzt, oder? Muss ich das PE Kabel nicht auch in den Lampen anschließen?» » Dann ist zu sagen, dass Du natürlich nur an einem Ende des Erdkabels einen» Stecker anbringen darfst, weil sonst spannungsführende Teile frei liegen.Den Stecker würde ich dann an der Stelle anbringen, wo in deiner Skizze \"Steckdose steht, richtig? Wo aber soll ich das andere Ende des Kabels, in deiner Skizze sind da L1, N, PE, Kor.1 und Kor.2 aufgeführt, enden lassen?» » Schließlich ist es so: Ja, Du darfst einen Stecker anbringen, aber warum» machst Du mit Hilfe einer Abzweigdose nicht gleich eine Ausschaltung davon» ? Das sieht besser aus und ist funktioneller.Wie würde das denn gehen?

T.f.G.(R)

10.06.2006, 16:05

@ Michael

Mehrere Lampen im Garten anschließen mit zwei Bewegungsmelde

» Weißt du was das für ein Zeichen ist? Es kommt an 4 meiner 5 Lampen vor,» speziell an den Klemmen. Bei einer Lampe fehlt das Zeichen. Es handelt» sich um drei waagerechte Linien. die nach oben länger werden. An der» letzten waagerechten Linie ist in deren Mitte eine senkrechte Linie zu» finden.» » » » Also zunächst ist es einmal ganz wichtig, darauf hinzuweisen, dass der» » Schutzleiter(PE, grün/gelb) nicht unterbrochen werden darf. Wenn Du» also» » das Erdkabel durchschneidest, so musst Du auch an jeder Stelle eine» Dose» » oder eine Muffe setzen, in der der Schutzleiter durchgeschleift wird.» (in» » Kabel einwandfrei weiter geführt wird.» » Dumme Frage von mir. In deiner Skizze wird das PE Kabel gar nicht genutzt,» oder? Muss ich das PE Kabel nicht auch in den Lampen anschließen?genau das gehört sogar zusammen :-Ddas symbol ist das erdungszeichen und genau an der dazugehörigen schraube kommt das PE (grün/gelbe kabel) dran ;-) m.f.g. T.f.G.

Michael

E-Mail

10.06.2006, 17:40

@ T.f.G.

Mehrere Lampen im Garten anschließen mit zwei Bewegungsmelde

Ach so. Also wäre es am einfachsten, wenn ich das PE Kabel nicht durchschneide, sondern direkt dranklemme. Ich habe eure Skizze mal etwas anders dargestellt. Vielleicht schaut sich das jemand von euch mal an. Fehler habe ich da bestimmt eingebaut.http://www.haustierinformation.de/0001.jpg

kalledom(R)

10.06.2006, 19:34

@ Michael

Mehrere Lampen im Garten anschließen mit zwei Bewegungsmelde

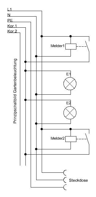
Du kannst die Kabel auch durchschneiden; wirst Du wohl müssen, wenn Du sie in Abzweigdosebn kriegen willst.[image]

Michael

E-Mail

10.06.2006, 20:02

@ kalledom

Mehrere Lampen im Garten anschließen mit zwei Bewegungsmelde

Muss ich nachdem ich z.B. das L Kabel zum Bewegungsmelder geführt habe, das L Kabel wieder zurück zur Abzweigdose führen oder reicht es wenn ein Kabel nur von der Abzweigdose hochgeführt wird?In der letzten Abbildung im Forum sind 5 Kabel zu finden. Ich bracuhe aber doch nur 4 Kabel, oder sehe ich das falsch?

kalledom(R)

10.06.2006, 22:18

@ Michael

Mehrere Lampen im Garten anschließen mit zwei Bewegungsmelde

» Bisher habe ich ein 5 poliges Erdkabel entlang des Hauses verlegt, bis hin zu einer schon fertigen Steckdose an unserem Haus. Das Erdkabel habe ich an den Stellen, wo die Lampen angebracht werden, als Schlaufe rausgucken lassen.Die \'Schlaufen\' trennst Du auf, entfernst einige cm die Kabelummantelung, führst die Enden in geeignete Abzweigdosen und verbindest die Adern mit Klemmen.Dann verlegst Du jeweils ein 3-adriges Kabel zur Lampe und zum Stecker, sowie jeweils ein 4...5-adriges Kabel zm Bewegungsmelder; diese Kabel kommen an die entsprechenden Klemmen.Das Ganze schließt Du kabel-, adern- und farb-mäßig so an, wie auf meiner Zeichnung. Die runden schwarzen Punkte sind Klemmen. In der Zeichnung verläuft am unteren Bildrand angedeutet das 5-adrige Erdkabel von Abzweigdose zu Abzweigdose. Nach oben gehen von den Abzweigdosen Kabel (habe ich nicht mehr angedeutet) zu den Lampen und Bewegungsmeldern. Nach links geht aus der Abzweigdose ein 3-adriges Kabel an einen Stecker. Vielleicht ist dieser Stecker bei Dir in Wirklichkeit rechts, dann geht eben ein 3-adriges Kabel aus der rechten Abzweigdose an einen Stecker (die Zeichnung werde ich deswegen nicht ändern).PS: Wenn die Schlaufen der Erdkabel lang genug sind und in die Lampe passen, kannst Du natürlich auch die Lampe als \'Abzweigdose\' nutzen, ein Stück Ummantelung entfernen und nur braun, blau und grün/gelb auftrennen und an die Lampe anschließen.

infors

E-Mail

10.06.2006, 23:00

@ kalledom

Mehrere Lampen im Garten anschließen mit zwei Bewegungsmelde

Kannst du vielleicht einen kurzen Blick auf meine Zeichnung werfen. Du scheinst dich ja gut auszukennen.http://www.haustierinformation.de/0001.jpg

T.f.G.(R)

10.06.2006, 23:24

@ infors

Mehrere Lampen im Garten anschließen mit zwei Bewegungsmelde

» Kannst du vielleicht einen kurzen Blick auf meine Zeichnung werfen. Du» scheinst dich ja gut auszukennen.» » http://www.haustierinformation.de/0001.jpgis doch quasi genau des was kalle auch gemalt hat :-Dist die lampe die kein erdungszeichen hat aus plaste? sollte die auch nur ansatzweise außen irgendwo metall am gehäuse haben muss da auch eine erdungsklemme existieren, das selbe gilt für die Bewegungsmelder.du kannst ja auch mit deinen bewegungsmeldern verschiedene lampen angehen lassen um z.b. strom zu sparen aber nur wenns sinnvoll ist,kenn ja deine örtlichen gegebenheiten jetzt nicht soooo gut :-Dansonsten immer schön auf kalle hören,der macht sein job hier hervorragend.

zurück zum Board
Thread-Ansicht  Mix-Ansicht  Reihenfolge
5412 Postings in 703 Threads, 7 registrierte User, 68 User online (0 reg., 68 Gäste)
Forum Strippenstrolch | Kontakt
RSS Feed
powered by my little forum